您当前的位置:协会动态 >通知公告 > 详情

关于《火力发电企业碳计量器具配备和管理要求》团体标准征求意见的通知

2023-12-05 14:59:12


640.png

附件:1.河北省节能协会征求意见反馈表.docx    2.火力发电企业碳计量配备和管理要求 (征求意见稿)(1).pdf


河北省节能协会征求意见反馈表

2c7bd38f2e65d5556a50cbc9f26575d5.png



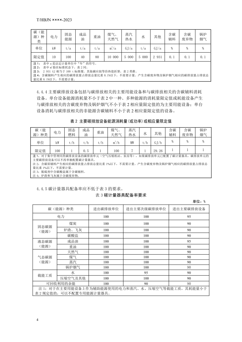
火力发电企业碳计量配备和管理要求 (征求意见稿)



火力发电企业碳计量配备和管理要求 (征求意见稿)(1)_3.png

火力发电企业碳计量配备和管理要求 (征求意见稿)(1)_4.png

火力发电企业碳计量配备和管理要求 (征求意见稿)(1)_5.png

火力发电企业碳计量配备和管理要求 (征求意见稿)(1)_6.png

火力发电企业碳计量配备和管理要求 (征求意见稿)(1)_7.png

火力发电企业碳计量配备和管理要求 (征求意见稿)(1)_8.png

火力发电企业碳计量配备和管理要求 (征求意见稿)(1)_9.png


微信公众号

  • 通讯地址:石家庄市桥西区红旗大街25号西清公寓702
  • 联系电话:0311-66033187 88880356
  • E-MAIL:hbjnxh@163.com    邮编:050081
Copyright 2021 河北省节能协会 版权所有 备案号: 冀ICP备 15028331号-1      技术支持:领行网络